Coilcraft 146/150 Series 7mm Tunable RF Coils
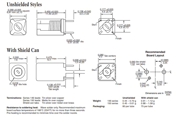
Coilcraft 146 and 150 Series 7mm Tunable RF Coils provide the compactness of a 7mm coil and the low drift reliability of an insert molded coil. Standard inductance values for this Coilcraft series range from less than 50nH to over 500nH. The 150 Series includes coils with a tap to meet specific requirements. Coilcraft 146 and 150 coils feature precision-molding windings into a single piece of polypropylene for mechanical and electrical stability. Optional plated brass shield cans with solderable tabs provide integral shielding and additional mounting stability.Features
- Windings are precision molded into polypropylene for mechanical and electrical stability
- Tuning is done by means of a threaded powdered iron core with a slotted socket
- Optional plated brass shield cans with solderable tabs provide integral shielding
- Extremely economical, even in small quantities
- Terminations
- Tin-silver over copper for Series 146 leads
- Matte tin over copper for Series 150 leads
- Tin-silver over nickel over brass for shield can tabs
- RoHS-compliant
Specifications
- Unshielded variants
- 44.5nH to 292nH no-core nominal inductance range
- 46.0nH to 540nH inductance range
- 60 to 114 minimum Q range
- 290MHz to 2000MHz no-core minimum SRF range
- Shielded variants
- 42.5nH to 224nH no-core nominal inductance range
- 43.5nH to 315nH inductance range
- 56 to 85 minimum Q range at 50MHz
- 330MHz to 1900MHz no-core minimum SRF range
- 8.0Ω to 21.0 maximum DCR range
- 6.8A to 11.0A IRMS range
- -40°C to +85°C operating temperature range
- Carbonyl J core material
- 1/4" core length
Styles
Published: 2018-03-19
| Updated: 2022-08-29
